
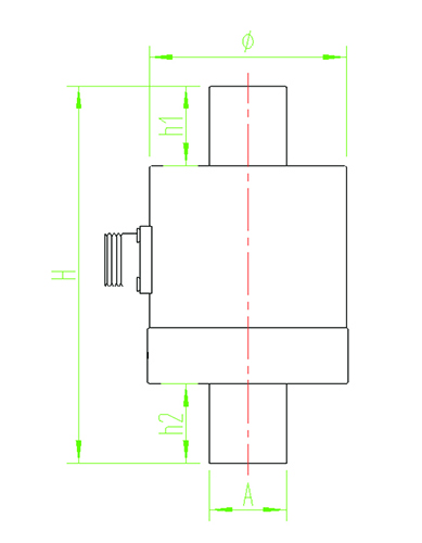
單位:mm
|
量程(Nm) |
H |
hl |
h2 |
ф |
A |
|
5~50 |
82 |
14 |
14 |
39 |
12.7 |
|
100—1000 |
100 |
20 |
20 |
52 |
20 |
|
2000~7000 |
180 |
40 |
40 |
92 |
40 |
基本外形尺寸